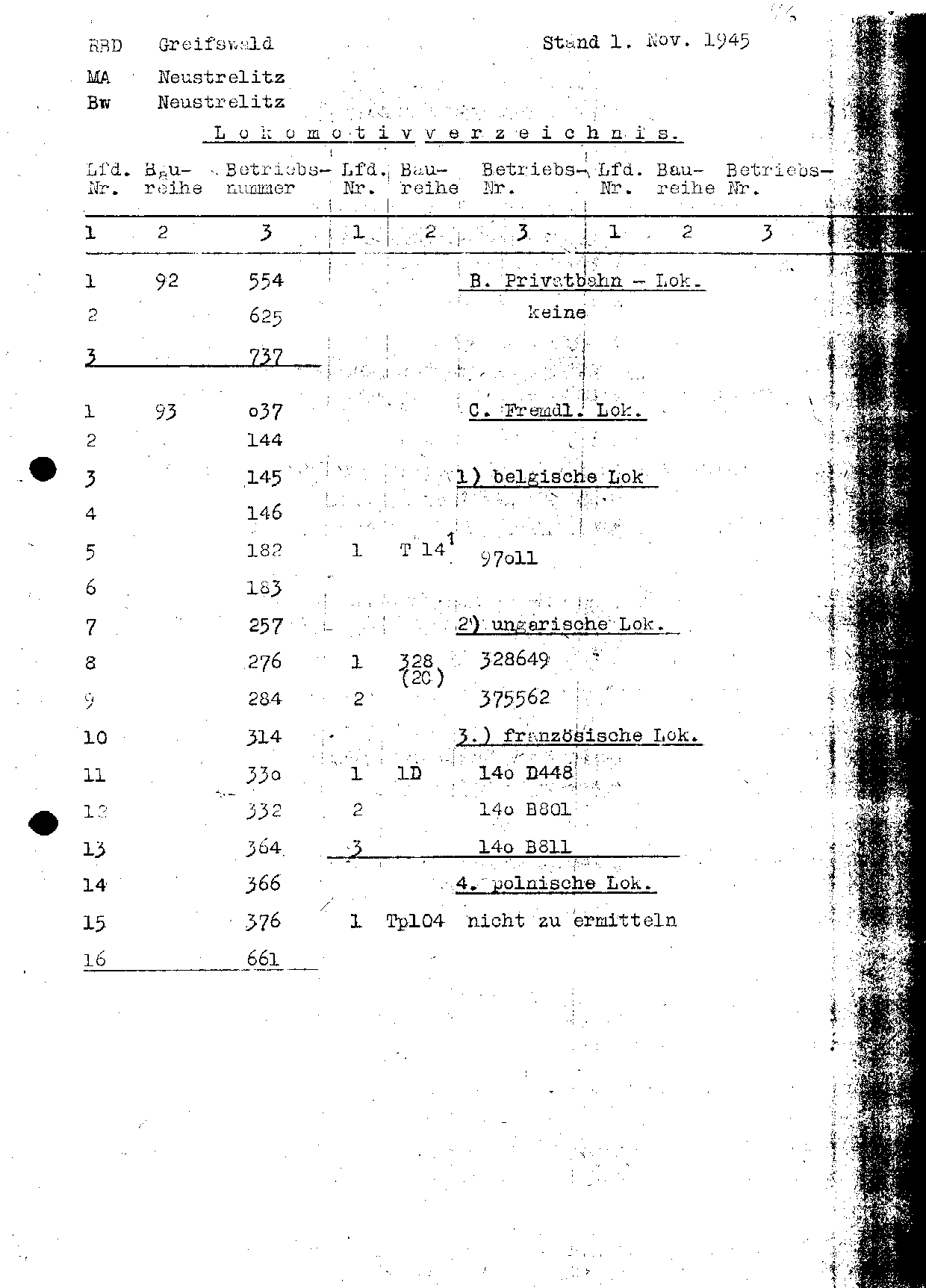
Locomotive Stock Rbd Greifswald 1.11.1945

For the publication on the DR stock 1945/46 the source was an official stock list was. Below you find as an example the stock of the Rbd Greifswald. Each page was scanned with 150 dpi - the size of the single Gif-Files is typically 40-60 kBytes. As an alternative there also exists the possibility to download all 14 pages as a Zip file in one step (670 kByte).